HK-14-1-16A-123
Switch action Characteristics
| The defining characteristics of operation | Operating Parameter | Value | Units |
![]() |
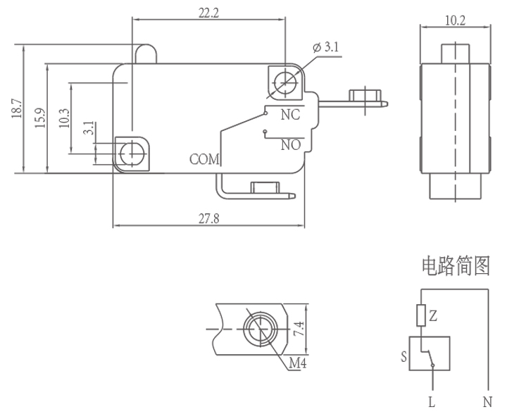
Free Position FP | 15.9±0.2 | mm |
| Operating Position OP | 14.9±0.5 | mm | |
| Releasing Position RP | 15.2±0.5 | mm | |
| Total travel Position | 13.1 | mm | |
| Operating Force OF | 0.25~4 | N | |
| Releasing Force RF | — | N | |
| Total travel Force TTF | — | N | |
| Pre Travel PT | 0.5~1.6 | mm | |
| Over Travel OT | 1.0Min | mm | |
| Movement Differential MD | 0.4Max | mm |
Switch technical Characteristics
|
ITEM |
technical parameter |
Value |
|
|
1 |
Contact Resistance | ≤30mΩ Initial value | |
|
2 |
Insulation Resistance | ≥100MΩ500VDC | |
|
3 |
Dielectric Voltage | between non-connected terminals | 1000V/0.5mA/60S |
| between terminals and the metal frame | 3000V/0.5mA/60S | ||
|
4 |
Electrical Life | ≥50000 cycles | |
|
5 |
Mechanical Life | ≥1000000 cycles | |
|
6 |
Operating Temperature | -25~125℃ | |
|
7 |
Operating Frequency | electrical:15 cycles Mechanical:60 cycles |
|
|
8 |
Vibration Proof |
Vibration Frequency:10~55HZ; Amplitude:1.5mm; Three directions:1H |
|
|
9 |
Solder Ability: More than 80% of immersed part shall be covered with solder | Soldering Temperature:235±5℃ Immersing Time:2~3S |
|
|
10 |
Solder Heat Resistance | Dip Soldering:260±5℃ 5±1S Manual Soldering:300±5℃ 2~3S |
|
|
11 |
Safety Approvals | UL,CSA,VDE,ENEC,TUV,CE,KC,CQC | |
|
12 |
Test Conditions |
Ambient Temperature:20±5℃ Relative Humidity:65±5%RH Air Pressure:86~106KPa |
|
Switch application: widely used in various household appliances, electronic equipment, automation equipment, communication equipment, automotive electronics, power tools and other fields.
11
Write your message here and send it to us



